Популярное
Индикатор ВЧ поля
Год выпуска: 2015
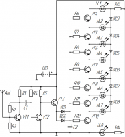
Хочу представить устройство для самостоятельного изготовления, которое имеет чувствительность к высокочастотному электромагнитному излучению. В частности, его можно применить для индикации входящих и исходящих вызовов мобильного телефона. Например, если телефон находится на беззвучном режиме, то это устройство позволит быстрее заметить входящий звонок или SMS.
Страна: Россия
Язык: Русский
Схема индикатора ВЧ поля
Похожие новости
Информация
Посетители, находящиеся в группе Гости, не могут оставлять комментарии к данной публикации.
-
Зарубежные журналы
-
Радиотехнические журналы
-
Книги



















