Популярное
Радиола "Кантата-203"
Радиола Кантата-203

Ламповая радиола 2-го класса “Кантата-203” предназначена для приема передач радиовещательных станций в диапазонах с амплитудной модуляцией (ДВ, СВ и КВ) и с частотной модуляцией в диапазоне УКВ, а также для воспроизведения грамзаписи.
В радиоле “Кантата-203” применено электропроигрывающее устройство типа III ЭПУ-38. Во встроенной акустической системе радиолы используются два громкоговорителя: 4ГД-35 и 1 ГД-40.
В радиоле имеются ряд вспомогательных устройств: встроенная УКВ антенна; ступенчатая регулировка полосы пропускания в тракте AM; плавная регулировка тембра верхних и нижних звуковых частот; оптический индикатор настройки, гнезда для подключения внешней антенны УКВ диапазона, внешней антенны и заземления (для диапазонов ДВ, СВ и КВ), магнитофона на запись и воспроизведение и дополнительного громкоговорителя.
Приемник питается от сети переменного тока с напряжением 127 или 220 В с частотой 50 Гц. Потребляемая мощность не более 65 Вт при радиоприеме и не более 80 Вт при воспроизведения грампластинок.
Габаритные размеры радиолы - 275x750x330 мм.
Масса-21 кг.
Конструкция
Радиола собрана в лакированном деревянном корпусе, отделанном шпоном ценных пород дерева. В верхней
части корпуса радиолы размещено ЭПУ, закрываемое поднимающейся крышкой. Головки громкоговорителей расположены на передней панели корпуса - 4ГД-35 и на боковой стенке - 1 ГД-40. Спереди расположена шкала настройки и все основные органы управления радиолы.
На металлическом штампованном шасси размещены функционально законченные блоки УКВ, КСДВ ПЧ, УНЧ (печатный монтаж) и блок питания (объемный монтаж).
Фильтры ПЧ выполнены в виде двух соосных каркасов и помещены в алюминиевые экраны. На каждом из каркасов намотано по две контурные катушки, концы которых вместе с выводами контурных конденсаторов распаяны в металлических штырьках.
Верньерное устройство размещено на специальном рефлекторе, укрепленном на шасси.
Все гнезда для внешних подключений находятся на задней части шасси радиолы.
Основные технические данные
Диапазон принимаемых частот: ДВ - 150,0...405,0 кГц; СВ - 525,0...1605,0 кГц; КВ I - 9,36...12,1 МГц; КВ II -3,95...7,4 МГц; УКВ-65,8...73,0 МГц. ПЧ в диапазонах: ДВ, СВ и КВ - 465 кГц и УКВ - 6,5 МГц.
Номинальная выходная мощность - 1,5 Вт, максимальная - 3 Вт.
Номинальный диапазон воспроизводимых частот в диапазонах: ДВ, СВ, КВ - 100...4 000 Гц, ДВ, СВ в режиме “Местный прием” - 100...6300 Гц, УКВ и в режиме воспроизведения грамзаписи - 100...10 000 Гц.
Номинальное звуковое давление - 0,6 Па.
Реальная чувствительность при выходной мощности 50 мВт в диапазонах: ДВ - 103 мкВ, СВ - 90 мкВ, КВ I и КВ II - 85 мкВ, УКВ (Rbx=300 Ом) - 7,6 мкВ.
Селективность по соседнему каналу в диапазонах ДВ и СВ при расстройке на ±9 кГц - 34 дБ.
Селективность по зеркальному каналу в диапазонах: ДВ - 51 дБ, СВ - 50 дБ, КВ I и КВ II - 18 дБ, УКВ - 32 дБ.
Действие АРУ в диапазонах ДВ, СВ и КВ: изменение напряжения на входе
- 34 дБ, на выходе - не более 10 дБ.
Уровень фона по электрическому напряжению не хуже: с антенного входа -40 дБ, по тракту воспроизведения грамзаписи -40 дБ, со входа “Звукосниматель” -46 дБ.
Диапазон регулирования тембра (не менее) на частотах: верхних - 14 дБ, нижних - 12 дБ.
Каскады приемника
1. Блок УКВ - на лампе 6НЗП.
2. Преобразователь частоты - на лампе 6И1П.
3. 1-й УПЧи2-й УПЧ-налампе 6К4П.
3. Детектор, АРУ - на лампе 6Х2П.
4. Предварительный УНЧ - на лампе 6Н2П.
5. Оконечный усилитель - на лампе 6П14П.
6. Оптический указатель настройки на лампе 6ЕЗП.
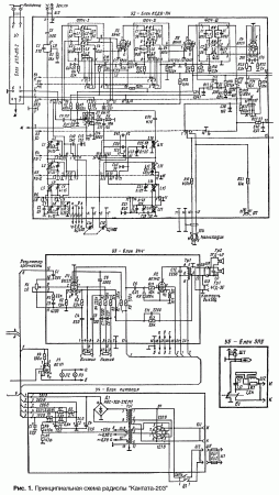
Электрическая схема радиолы Кантата-203
Радиола выполнена по функционально-блочному принципу. В нее входят: блок УКВ, блок КСДВ ПЧ, блок УНЧ, блок питания, а также блок ЭПУ.
Блок УКВ (У1). В качестве блока УКВ применен унифицированный блок типа УКВ-ИП-2.
Блок КСДВ ПЧ (У2). В него входят высокочастотная часть и усилитель промежуточной частоты с детекторами AM и ЧМ сигналов. Высокочастотная часть выполнена на лампе Л1, триод ее используется в качестве гетеродина, а гептод - смесителя. Усилитель промежуточной частоты, совмещенный для AM и ЧМ тракта, выполнен на лампах Л2 и ЛЗ. В тракте ЧМ сигнала гептодная часть лампы Л1 используется в качестве первого каскада УПЧ. Селективность по соседнему каналу в трактах AM и ЧМ сигнала обеспечивается двухконтурными полосовыми фильтрами с индуктивной связью (ФПЧ-1, ФПЧ-И, ФПЧ-Ш).
В тракте ПЧ AM применена ступенчатая регулировка ширины полосы пропускания в первом и втором каскадах, осуществляемая посредством переключения витков связи в фильтрах ФПЧ-1 и ФПЧ-И.
Для детектирования ЧМ и AM сигналов применена комбинированная схема на лампе Л4. По тракту ЧМ она выполняет функции дробного детектора, по тракту AM - анодного детектора.
Блок УНЧ (У8). Усилитель низкой частоты содержит два предварительных каскада, выполненных на лампе Л1, и выходной каскад на лампе Л2. В анодной цепи первого каскада находятся цепочки регулировки тембра (R2 служит для регулировки тембра на верхних звуковых частотах, R3 - на нижних). Для уменьшения нелинейных искажений и получения необходимой частотной характеристики усилитель охвачен отрицательной обратной связью. Для снижения уровня фона в выходном трансформаторе Тр1 применена антифонная обмотка.
Блок питания (У 4). В него входят трансформатор питания Тр1, селеновый выпрямитель Д1 и цепи фильтра.
Радиола “Кантата-203” довольно долго эксплуатировалась одним из авторов. Это был достаточно надежный аппарат, но периодически приходилось пропаивать контакты у ламповых панелек и чистить контакты переключателя диапазонов. Прием на комнатную антенну в условиях железобетонного здания в диапазонах КВ и УКВ был удовлетворительным, а на встроенную магнитную антенну в диапазонах ДВ и СВ - затруднительным из-за высокого уровня индустриальных помех.
Литература
1. Анисимов Ю.П. и др. Радиоприемники, радиолы, магнитолы, тюнеры. - М.: “Связь”, 1980. С.092-102.
Дмитрий Кондаков, г. Москва
Вадим Мельник, г. Донецк (http://oldradio.ru)
Похожие новости
Информация
Посетители, находящиеся в группе Гости, не могут оставлять комментарии к данной публикации.
-
Зарубежные журналы
-
Радиотехнические журналы
-
Книги



















