Популярное
Стереофонический приемник FM-диапазона
Приемник FM-диапазона
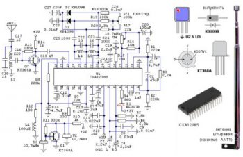
Я не стал отступать от традиции, поэтому следующая конструкция так же будет выполнена на специализированной микросхеме. На этот раз я отдал предпочтение чипу от фирмы Sony -CXA1238S. Он обладает повышенной чувствительностью, экономичностью и отличным встроенным декодером для преобразования принимаемого сигнала в стерео. Данную схему нельзя назвать простой, но с учетом того, что хороший стерео приемник занимал бы куда больше деталей, то эта схема является, наверное, самой оптимальной, как по качеству, так и по надежности.
Конструкция не содержит дефицитных и дорогих деталей, а также трудоемких в изготовлении катушек. Работает на частотах в пределах 88...108Mhz. Приемник сохраняет полную работоспособность при снижении напряжения питания до 1,9В, а потребляемый устройством ток настолько мал, что при питании от двух батареек, он сохранит свою работоспособность в течение месяца. Сигналы левого и правого стереоканалов формируются на выводах б и 5 микросхемы U1 соответственно.
Обратите внимание: вокруг некоторых транзисторов идет пунктирная линия - это корпус, один из выводов транзистора. Чаще всего этот вывод подключают к общему проводу или оставляют не подключенным.
Предлагаемый приемник не критичен ни к типам, ни к номиналам входящих в него элементов. Можно использовать резисторы любых типов с допуском не хуже ±20%, оксидные конденсаторы лучше импортные малогабаритные, остальные конденсаторы керамические.
Пьезокерамические фильтры любые широкополосные, малогабаритные, применяются во всех приемниках с УКВ диапазоном. Внешний вид Фильтров U2 U3 изображен на Рис.1. Средний вывод подключается к общему проводу, остальные - без разницы. Фильтр U4 похож на предыдущие, но имеет два вывода и окрашен в светло-коричневый цвет. Транзистор Q1 - КТ368А, КТ368Б, КТ3102 с буквенными индексами от А до Е. Транзистор Q2 - КТ368А, КТ368Б, КТ339 или КТ399 с любыми буквенными индексами. Индуктивность дросселя L1 может быть в пределах от 22 до 220mkH (я ставил на 100 мкН).
Дроссель с такой индуктивностью можно приобрести готовый. Катушки L2, L4 и L5 бескаркасные с внутренним диаметром 3mm. Катушка L2 имеет 8 витков с отводом от середины (для удобного монтажа я намотал две катушки по 4 витка каждая). Катушка L4 содержит б витков, L5 - 5 витков. Точное число витков зависит от длины и расположения дорожек, ведущих к катушкам на печатной плате, и уточняется при настройке. Обычно катушки наматывают на какой-то трубке нужного диаметра, а потом вытаскивают ее. В итоге вы получаете бескаркасную катушку.
Переменный резистор R21 многооборотный (то есть очень точный), им настраивается приемник на радиостанцию. Размеры печатной платы 52X46mm. Резистор R8 и конденсатор С21 припаиваются со стороны печатных проводников. Приемник с антенной соединен экранированным проводом. Возле антенны экран обрывается, а "горячая" жила соединяется с антенной.
На печатной плате (см. Рис.2) не все элементы обозначены, поэтому разбирайтесь, большого труда это не составит. Цепь индикации R4 D1 монтируется вне зоны печатной платы.
Во время настройки подключите приемник к усилителю. Если его монтаж выполнен без ошибок, при включении источника питания в колонках должен появиться характерный шум. Растягивая и сжимая витки гетеродинной катушки L5, добейтесь устойчивого приема какой-либо радиостанции. Если сделать это не удастся, попробуйте изменить число витков гетеродинной катушки. Постоянно работающая система автоматической подстройки частоты (АПЧ) даст вам знать, что вы настроились на зеркальный канал - настройка будет "плавающей", нечеткой. В этом случае растяните витки катушки L5 или уменьшите число ее витков до появления той же станции с четкой настройкой.
После того, как вы настроите приемник, залейте катушки парафином - используйте для этого парафиновую свечку. При этом немного сдвинется частотный диапазон, но зато катушки будут защищены от внешних механических воздействий.
Похожие новости
Информация
Посетители, находящиеся в группе Гости, не могут оставлять комментарии к данной публикации.
-
Зарубежные журналы
-
Радиотехнические журналы
-
Книги





















