Что же измеряет КСВ - метр ?
Сегодня КСВ-метры есть практически на любой любительской радиостанции — встроенные в фирменную аппаратуру, самостоятельные фирменные приборы или самодельные. Результаты их работы (КСВ антеннофидерного тракта) широко обсуждаются радиолюбителями, но мало кто задумывается над вопросом, который вынесен в заголовок этой статьи. Я уже не говорю о тех проблемах, которые реально есть в каждом из этих приборов (независимо от их типа) и которые определяют точность регистрации этого параметра. Заголовок статьи звучит как каламбур или шутка. Но ведь в каждой шутке есть доля...
Как известно, коэффициент стоячей волны в фидере однозначно определяется входным импедансом антенны и волновым сопротивлением фидера. Эта характеристика антенно-фидерного тракта не зависит ни от уровня мощности, ни от выходного сопротивления передатчика. На практике его приходится измерять на некотором удалении от антенны — чаще всего непосредственно у трансивера. Известно, что фидер трансформирует входной импеданс антенны в некоторые его значения, которые определяются длиной фидера. Но при этом в любом сечении фидера они такие, что соответствующее им значение КСВ не изменяется. Другими словами, он в отличие от импеданса, приведённого к дальнему от антенны концу фидера, не зависит от длины фидера, поэтому измерять КСВ можно и непосредственно у антенны, и на некотором удалении от неё (например, у трансивера).
В радиолюбительских кругах ходит немало легенд о "полуволновых повторителях", якобы улучшающих КСВ. Фидер с электрической длиной в половину рабочей длины волны (или в их целое число) действительно является "повторителем" — импеданс на дальнем от антенны его конце будет равен входному импедансу антенны. Единственная польза от этого эффекта — возможность дистанционно измерить входной импеданс антенны. Как уже отмечалось, на значение КСВ (т. е. на энергетические соотношения в антеннофидерном тракте) это не влияет.
На самом деле при удалённом от точки подключения фидера к антенне измерении КСВ регистрируемое его значение всегда несколько отличается от истинного. Эти отличия объясняются потерями в фидере. Они строго детерминированы и могут только "улучшить" регистрируемое значение КСВ. Однако это эффект часто на практике бывает незначительным, если используется кабель с малыми погонными потерями и длина самого фидера сравнительно небольшая.
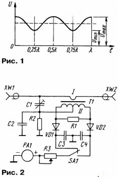
Если входной импеданс антенны не является чисто активным и равным волновому сопротивлению фидера, в нём устанавливаются стоячие волны, которые распределены по фидеру и состоят из чередующихся минимумов и максимумов ВЧ напряжения. На рис. 1 показано распределение напряжения в линии при чисто активной нагрузке, несколько большей волнового сопротивления фидера. При наличии в нагрузке реактивности распределение напряжения и тока смещается влево или вправо по оси ^ в зависимости от характера нагрузки. Период повторения минимумов и максимумов по длине линии определяется рабочей длиной волны (в коаксиальном фидере — с учётом коэффициента укорочения). Их характеристикой и является значение КСВ — отношение максимального и минимального напряжения в этой самой стоячей волне, т. е. КСВ = Umax/Umin
Напрямую значения этих напряжений определяют только с помощью измерительных линий, которые в любительской практике не применяют (в диапазоне коротких волн — и в профессиональной тоже) Причина тому простая: чтобы иметь возможность измерить изменения этого напряжения по длине линии, её длина должна быть заметно больше, чем 0,25>L Иными словами, даже для самого высокочастотного диапазона 28 МГц она должна быть уже несколько метров и соответственно ещё больше для низкочастотных диапазонов.
По этой причине и были разработаны малогабаритные датчики прямой и обратной волн в фидере ("направленные ответвители"), на основе которых и изготавливают современные измерители КСВ в диапазонах коротких волн и в низкочастотном участке УКВ диапазона (примерно до 500 МГц). Они измеряют высокочастотное напряжение и токи (прямой и обратный) в конкретной точке фидера, а на основании уже этих измерений и вычисляется соответствующий им КСВ. Математика позволяет вычислить его точно по этим данным — с этой точки зрения метод абсолютно честный. Проблема состоит в погрешности датчиков как таковых.
По физике работы таких датчиков они должны измерять ток и напряжение в одной и той же точке фидера. Существует несколько вариантов исполнения датчиков — схема одного из самых распространённых вариантов приведена на рис. 2. Они должны быть выполнены так, чтобы при нагрузке измерительного узла эквивалентом антенны (резистивной безындукционной нагрузкой с сопротивлением, равным волновому сопротивлению фидера) напряжение на датчике, которое снимается с ёмкостного делителя на конденсаторах С1 и С2, и напряжение на датчике тока, которое снимается с половин вторичной обмотки трансформатора Т1, были равны по амплитуде и сдвинуты по фазе точно на 180° или 0° соответственно. Причём эти соотношения должны сохраняться во всей полосе частот, на которую рассчитан данный измеритель КСВ. Далее эти два ВЧ напряжения либо суммируются (регистрация прямой волны), либо вычитаются (регистрация обратной волны).
Первым источником погрешностей при этом методе регистрации КСВ является то, что датчики, особенно в самодельных конструкциях, не обеспечивают названные выше соотношения между двумя напряжениями во всей полосе частот. Как результат, происходит "разбаланс системы" — проникание ВЧ напряжения из канала, обрабатывающего информацию о прямой волне, в канал, делающий это для обратной волны, и наоборот. Степень развязки этих двух каналов принято характеризовать коэффициентом направленности прибора. Даже у вроде бы хороших приборов, предназначенных для радиолюбителей, и тем более у самодельных, он редко превышает 20...25 дБ.
Это означает, что нельзя доверять показаниям подобного "измерителя КСВ" при определении небольших значений КСВ. Причём в зависимости от характера нагрузки в точке измерения (а она зависит от длины фидера!) отклонения от истинного значения могут быть в ту или иную сторону. Так, при коэффициенте направленности прибора 20 дБ значению КСВ=2 могут соответствовать показания прибора от 1,5 до 2,5. Вот почему один из методов проверки подобных приборов — измерение КСВ, не равного 1 при длинах фидера, отличающихся на четверть рабочей длины волны. Если будут получены различные значения КСВ, это лишь говорит о том, что у конкретного КСВ-метра недостаточный коэффициент направленности...
Подробно эти вопросы рассмотрены в [1]. Именно этот эффект и породил, по-видимому, легенду о влиянии длины фидера на КСВ.
Ещё один момент — это не совсем "точечный" характер измерений в таких приборах (точки съёма информации о напряжении и токе не совпадают).
Влияние этого эффекта менее значимо, а пути его устранения описаны в [2].
Другой источник погрешностей — падение эффективности выпрямления диодов датчиков при малых ВЧ напряжениях. Эффект этот известен большинству радиолюбителей. Он приводит к "улучшению" КСВ при его малых значениях. По этой причине в КСВ-мет-рах практически никогда не используют кремниевые диоды, у которых зона неэффективного выпрямления гораздо больше, чем у германиевых или у диодов Шотки. Наличие этого эффекта в конкретном приборе легко проверяется изменением уровня мощности, при котором производятся измерения. Если КСВ начинает "возрастать” при увеличении мощности (речь идёт о его малых значениях), значит диод, ответственный за регистрацию обратной волны, явно занижает соответствующее ей значение напряжения.
При ВЧ напряжении на выпрямителе датчика меньше 1 В (эффективное значение) линейность вольтметра, в том числе и выполненного с использованием германиевых диодов, нарушается [3]. Этот эффект можно минимизировать, производя градуировку шкалы КСВ-метра не расчётным путём (как это часто делают), а по реальным значениям КСВ нагрузки. Простое решение вопроса реализации произвольных значений КСВ (импеданса нагрузки) на основе стандартного эквивалента антенны описано в [4]. Есть и более сложное решение — линеаризация показаний ВЧ вольтметров с помощью соответствующих электронных узлов (например, [5]).
Ну и, наконец, нельзя не упомянуть ток, протекающий по внешней оплётке фидера. Если не приняты соответствующие меры [6], он может быть заметным и влиять на показания прибора. В его отсутствии обязательно надо убедиться при измерениях КСВ реальных антенн.
Все эти проблемы присутствуют и в приборах заводского изготовления, но особенно они обостряются в самодельных конструкциях. Так, в подобных устройствах не последнюю роль может играть даже недостаточная экранировка внутри блока датчиков прямой и обратной волн.
Что касается приборов заводского изготовления, то для иллюстрации их реальных характеристик можно привести данные из обзора, опубликованного в [7]. В лаборатории ARRL были проверены пять измерителей мощности и КСВ разных фирм. Цена — от 100 до 170 долларов США. Четыре прибора использовали двухстрелочные индикаторы прямой и обратной (отражённой) мощности, позволявшие сразу считывать значение КСВ по объединённой шкале прибора. Практически все приборы имели заметную погрешность измерения мощности (до 10... 15 %) и заметную неравномерность её индикации по частоте (в полосе частот 2...28 МГц). То есть можно ожидать, что погрешность отсчёта КСВ будет выше приведённых значений. Более того, не все приборы, будучи подключёнными к эквиваленту антенны, показывали КСВ=1. Один из них (не самый дешёвый) даже показал 1,25 на частоте 28 МГц.
Иными словами, надо быть аккуратным при проверке самодельных КСВ-метров по приборам, которые выпускаются для радиолюбителей. И в свете сказанного совсем смешно звучат заявления некоторых радиолюбителей, которые нередко можно услышать в эфире или прочитать в радиолюбительских статьях в Интернете или в журналах, что у них КСВ, к примеру, 1,25... Да и целесообразность введения в подобные приборы цифрового отсчёта значений КСВ представляется не такой уж целесообразной.
Борис СТЕПАНОВ (RU3AX), г. Москва
ЛИТЕРАТУРА
1. Бекетов В., Харченко К. Измерения и испытания при конструировании и регулировке радиолюбительских антенн. — М.: Связь, 1971.
2. Гуткин Э. Измеряем КСВ: теория и практика. — Радио, 2003, № 5, с. 66—68: № 6, с. 61—63.
3. Степанов Б. Измерение малых ВЧ напряжений. — Радио, 1980, № 7, с. 55, 56; № 12, с. 28.
4. Степанов Б. Калибровка КСВ-метра. — Радио, 2006, № 1, с. 72
5. Акопов Р. ВЧ вольтметр с линейной шкалой. — Радио, 2011, № 2, с. 61—63.
6. Два вида "балунов" — какой лучше? — Радио, 2011, № 4, с. 59, 60.
7. Bob Allison. QST Compares Analog HF/VHF Wattmeters. — QST, 2009, March, s. 46—49.
-
Зарубежные журналы
-
Радиотехнические журналы
-
Книги



















