Популярное
Li-Ion аккумулятор в мультиметре
Стабилизированный преобразователь напряжения
В моем мультиметре AM-1006 фирмы "Актаком" за один год истощились три батареи типоразмера 6F22, сходные по размерам и параметрам с отечественной "Кроной”. Среди них была одна фирмы Duracell, славящаяся своей ёмкостью и долговечностью. И вот, когда очередная батарея "села", а новой под рукой не было, мне попалась на глаза статья о питании мультиметра от двух аккумуляторов типоразмера АА. В наличии у меня был Li-Ion аккумулятор от мобильного телефона ,,Сони-Эриксон-Т-290м" и я стал его прикладывать к моему мультиметру. К счастью, аккумулятор удачно вписался в нишу под крышкой в верхней части корпуса прибора (рис. 1).

Для надёжного крепления потребовалось просверлить всего два отверстия диаметром 3 мм для его удержания в этой нише аналогично тому, как это сделано в мобильном телефоне.
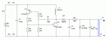
Поскольку аккумулятор практически идеально размещался в мультиметре, осталось собрать стабилизированный преобразователь с выходным напряжением 8...9 В и габаритными размерами, позволяющими разместить его в батарейном отсеке. Схема преобразователя показана на рис. 2
Схема преобразователя
Рис.2
Он собран на двух транзисторах по схеме несимметричного мультивибратора. В качестве нагрузки транзистора VT2 применён дроссель L1. Импульсы напряжения на коллекторе этого транзистора амплитудой 15 В и частотой следования 250 кГц выпрямляет диод VD1, а выпрямленное напряжение, сглаживаемое конденсатором СЗ. затем поступает на параметрический стабилизатор R5VD2. Напряжение 8,2 В поступает на колодку Х1 (снятой с вышедшей из строя батареи типоразмера 6F22). Преобразователь обеспечивает ток, потребляемый мультиметром (до 4 мА). Для выключения питания преобразователя пришлось в левом нижнем углу мультиметра (рис. 3) установить выключатель SA1 (любой малогабаритный движковый).

Места для него там достаточно. Наличие этого выключателя избавило от использования галетного переключателя мультиметра при его включении или выключении.
В авторском варианте плата была изготовлена из односторонне фольгированного стеклотекстолита. Она вырезана по размерам батареи 6F22, а фольга с помощью резака разделена на прямоугольные площадки, к которым припаяны выводы деталей. Для повторения радиолюбителями разработана печатная плата, чертёж которой показан на рис. 4.

Применены резисторы МЯТ, С2-23, оксидный конденсатор —-импортный, остальные — керамические импортные, дроссель — ДПМ-0,1, стабилитрон — любой маломощный с напряжением стабилизации 6,5...9 В. так как мультиметр сохраняет работоспособность при снижении напряжения питания до 6 В. Пары вилка/гнездо ХР1, XS1 и ХР2, XS2 могут быть любыми, но чтобы исключить возможность неправильного подключения полярности, они должны быть разного диаметра.
При зарядке аккумулятора вилки ХР1 и ХР2 отсоединяют от преобразователя и подключают к зарядному устройству. Применённый мною аккумулятор содержит контроллер зарядки/разрядки и его можно заряжать, подключив к ЗУ или блоку питания с выходным напряжением 5 В. Большинство аккумуляторов сотовых телефонов содержат такие контроллеры. А если аккумулятор без него, придётся изготовить зарядное устройство [2]. Контакты колодки XI припаивают к двум жёстким Г-образным держателям из проволоки от металлической скрепки. Преобразователь размещают в батарейном отсеке мультиметра (рис. 5).

А.СТЕПАНОВ, г.Санкт-Петербург
Источник: Журнал Радио №2 (февраль) 2016 стр.54
Похожие новости
Информация
Посетители, находящиеся в группе Гости, не могут оставлять комментарии к данной публикации.
-
Зарубежные журналы
-
Радиотехнические журналы
-
Книги



















