Популярное
Симисторный регулятор мощности до 1 кВт
Регулятор мощности симисторный

Регулятор мощности симисторный предназначен для регулировки мощности нагревательных и осветительных приборов мощность которых не првышает 1000 Вт.
Технические характеристики:
Рабочее напряжение; 160-300 В
Диапазон регулировки мащности 10-90%
Ток нагрузки: до 5 А
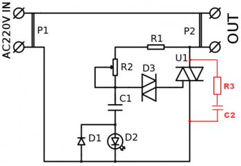
Устройство состоит из симистора и времязадающей цепочки. Принцип регулировки мощности заключается в изменения продолжительности времени открытого состояния симистора (рисунок 1). Чем большее время симистор открыт, тем большая мощность отдается в нагрузку. А так как симистор выключается в момент когда ток протекающий через симистор равен нулю, то задавать продолжительность открытия симистора будем в пределах половины периода.
В начале положительного полупериода симистор закрыт. По мере увеличения сетевого напряжения, конденсатор С1 заряжается через делитель R1, R2. Заряд конденсатора продолжается до тех пор, пока напряжение на нем не достигнет порога «пробоя» динистора (около 32 В). Динистор замкнет цепь Dl, Cl, D3 и откроет симистор U1. Симистор остается открытым до конца полупериода. Время зарядки конденсатора задается параметрами цепочки R1, R2, С1. Резистором R2 задаем время зарядки конденсатора, а соответственно и момент открытия динистора и симистора. Т.е. этим резистором производится регулировка мощности. При действии отрицательной полуволны принцип работы аналогичен. Светодиод LED индицирует рабочий режим регулятора мощности.
Используемые радиоэлементы:
R1 - 3.9...10K
R2 - 500K
C1 - 0.22мкФ
D1 - 1N4148
D2 - светодиод
D3 - DB4
U1 - BT06-600
P1,P2 клемники
R3 - 22K 2Вт
C2 - 0.22мкФ 400В
Правильно собранная схема наладки не требует.
При использовании нагрузки мощностью более 300 Вт, симистор необходимо установить на радиатор с площадью поверхности не мене 20 см2
На переменный резистор необходимо установить ручку из изолированного материала.
При дополнении схемы всего двумя элементами (на схеме обозначены красным цветом)появляется возможность управления индуктивной нагрузкой. Т.е. можно на выход симисторного регулятора мощности подключить трансформатор.
ВНИМАНИЕ! Устройство гальванически не развязано от сети! Запрещается прикасаться к элементам включенной схемы!
Смотреть обучающее видео на тему "Симисторный регулятор мощности"
Похожие новости
Информация
Посетители, находящиеся в группе Гости, не могут оставлять комментарии к данной публикации.
-
Зарубежные журналы
-
Радиотехнические журналы
-
Книги




















