Популярное
ИСПОЛЬЗОВАНИЕ БЛОКА ПИТАНИЯ КОМПЬЮТЕРА АТХ В РАДИОЛЮБИТЕЛЬСКОЙ ПРАКТИКЕ
Блок питания компьютера

При разработке какой-либо конструкции, потребляющей значительную мощность существенная проблема - это источник питания. Никто не хочет наматывать силовые трансформаторы. Да и тяжел и громоздок получится блок питания. Самостоятельно делать мощный импульсный блок, - тоже сомнительное удовольствие, потому что и времени займет больше чем на всю конструкцию и ошибки или просто недостаточная аккуратность в намотке импульсного трансформатора быстренько все усилия сводит к нулю.
В общем, хотелось бы приобрести готовый импульсный блок, и желательно недорого. В таком случае оптимальным вариантом может быть блок с разборки старого ПК типа АТХ. Но не всем удается такой блок запустить. Необходимо знать его выходные параметры. К тому же блок с разборки может нуждаться в ремонте.
Нажать для увеличения
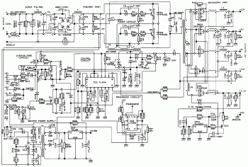
Рис. 1
Ниже изложена полезная информация для тех кто решит использовать блок питания АТХ для питания своей «самоделки» или покупной аппаратуры, рассчитанной на питание от автомобильной бортовой сети, например, автомобильной радиостанции.
Блок питания ПК типа АТХ предназначен для формирования постоянных питающих напряжений +3,3V, +5V, +12V, -5V, -12V. Он выполнен в виде почти самостоятельного модуля в металлическом корпусе, из которого выведен жгут проводов с разъемами. На задней стенке есть разъем для подключения сетевого шнура (220V), еще там может быть переключатель-фишка 110/220V и (или) механический клавишный выключатель для полного отключения блока от сети. Блоки АТХ выпускаются самых разных мощностей от 150W до 840W и более. Чаще всего встречаются на 200-400W. Токи нагрузок выходных напряжений, соответственно, зависят от мощности и у разных моделей блоков питания могут отличаться даже при равной суммарной мощности блока. Но это не представляет большой проблемы, - практически на каждом блоке АТХ есть достаточно прочно наклеенная этикетка, на которой указаны его параметры по выходным токам. Например, блок ISO-450PP максимальной выходной мощностью 350W выдает ток 20А по напряжению +3.3V, 32А по напряжению +5V, 16А по напряжению +12V, 0,5А по напряжению -5V и 0,5А по напряжению -12V. Таким образом, даже выбирая блок с разборки (из кучи) можно по этикетке подобрать подходящий.
Принципиальная схема «типового» блока питания АТХ мощностью 200W приведена на рисунке 1. Функционально условно схему можно разделить на пять участков. Первый участок представляет собой обычную схему сетевого фильтра и мостового выпрямителя на диодах D21-D24 для получения постоянного напряжения для питания импульсного преобразователя напряжения. Практически это импульсный источник питания с ШИМ на основе микросхемы TL494 и двухтактного выходного каскада на мощных ключевых транзисторах Q1 и Q2.
Но для дежурного питания в схеме есть отдельный маломощный импульсный блок питания (участок 2), - источник дежурного напряжения +5VSB, которое используется компьютером в выключенном состоянии. Этот узел выполнен по схеме однотактного преобразователя на транзисторе Q12 и трансформаторе Тб. Питание на этот узел поступает с выхода сетевого выпрямителя.
Вторичная обмотка Тб с отводом и двумя диодными выпрямителями. Выпрямитель на диоде D30 служит для создания напряжения питания генератора микросхемы TL494. Второй выпрямитель на D28 служит для получения напряжения 5V для дежурного питания схемы ПК. 5V получается с помощью стабилизатора IC3.
Схема дежурного блока питания интересна тем, что она практически представляет собой самостоятельный узел. Вот посмотрите, если нужен маломощный источник, например, для питания портативной аппаратуры, и есть в наличии неисправный блок питания АТХ, то, при условии исправности трансформатора Тб, можно используя этот трансформатор собрать по этой схеме блок питания, дополнив его сетевым выпрямителем. А если ИМС 78L05 заменить на 78L09 можно получить 9V для питания аппаратуры, обычно питающейся от «Кроны», а используя параметрический стабилизатор на светодиоде и резисторе можно сделать блок на 1,5V для питания такой аппаратуры, как, например, карманный МП-3 плеер.
Третий участок это ШИМ-контроллер TL494. В его составе генератор импульсов с ШИМ, защита блока питания от коротких замыканий, стабилизация выходных напряжений, и формирование противофазных импульсов для управления транзисторными ключами, которые нагружены на импульсный трансформатор.
Для управления включением-выключением используется сигнал PS-ON. Он поступает от схемы компьютера. Фактически для включения основной части блока питания нужно чтобы на этой шине (PS-ON) был логический ноль. Практически, замкнуть на общий провод. При этом транзисторы Q10 и Q11 закрываются и микросхема TL494 переходит в рабочий режим.
Для выключения нужно на PS-ON подать логическую единицу уровня 5V, или просто отключить этот провод так как он подтянут к +5V через резистор R23.
На микросхеме IC2 (LM393) выполнена схема, работающая с сигналом POWERGOOD. Если в схеме ПК возникает аварийное состояние, требующее выключения эта схема выключает блок питания в дежурный режим.
Четвертый участок состоит из двух трансформаторов и двух групп транзисторных ключей. Первый трансформатор формирует управляющее напряжение для выходных транзисторов. Поскольку ШИМ-контроллер TL494 генерирует сигнал слабой мощности, первая группа транзисторов Q3 и Q4 усиливает этот сигнал и передает его переходному трансформатору Т2. Вторая группа транзисторов (Q1 и Q2), или выходные, нагружены на основной импульсный трансформатор ТЗ, который осуществляет формирование основных напряжений питания. Такая более сложная схема управления выходными ключами применена из-за сложности управления биполярными транзисторами и защиты ШИМ-контроллера от выбросов высокого напряжения.
Пятый участок - схема вторичных выпрямителей, он состоит из диодов Шоттки, выпрямляющих вторичное напряжение трансформатора ТЗ, и фильтра низких частот (ФНЧ). ФНЧ состоит из электролитических конденсаторов значительной емкости и дросселей. На выходе ФНЧ стоят резисторы, которые необходимы для того, чтобы после выключения емкости блока питания не оставались заряженными. Также резисторы стоят и на выходе выпрямителя сетевого напряжения.
Следует заметить, что далеко не все блоки питания АТХ строятся именно по схеме, показанной на рисунке 1. Могут быть существенные отличия связанные с другими схемотехническими решениями, другими параметрами по мощности, другой элементной базой. Хотя, общий функциональный состав практически у всех тот же.
И так, вернемся к началу статьи, - физически блок питания АТХ представ-ляет собой железный ящик размерами 140x150x80мм (или около того), на одной стороне корпуса которого расположен сетевой разъем, механический выключатель (или переключатель напряжения 110/220V, или разъем для подачи питания на монитор), а на другой стороне есть отверстие из которого выходит жгут разноцветных проводов с разъемами.
По цветам проводов маркировка такая: Черный - общий провод, «земля», GND. Белый - минус 5V.
Синий - минус 12V Желтый - плюс 12V Красный - плюс 5V Оранжевый - плюс 3,3V Зеленый - включение (PS-ON)
Серый - POWER-OK (POWERGOOD) Фиолетовый - 5VSB (дежурного питания).
Нажать для увеличения
Рис. 2
На рисунке 2 показаны разъемы АТХ(если их повернуть дырками к себе). Причем не все из показанных разъемов могут присутствовать у одного и того же блока питания. Например, главный разъем только один, -либо 20-контактный, либо 24-контактный. Разъем для SATA жесткого диска может отсутствовать вовсе. А разъем для дополнительного питания процессора может быть 4-контактный или 8-контактный.
Ну а теперь «самое главное» - чтобы включить блок питания АТХ в рабочий режим нужно соединить контакт PS-ON главного разъема с любым контактом GND. Или зеленый провод соединить с любым черным.
Андреев С.
Ссылка на источник: Радиоконструктор 2012 №12 стр.15
Похожие новости
Информация
Посетители, находящиеся в группе Гости, не могут оставлять комментарии к данной публикации.
-
Зарубежные журналы
-
Радиотехнические журналы
-
Книги




















