Популярное
ИЗМЕРИТЕЛЬ КОРОТКОЗАМКНУТЫХ ВИТКОВ
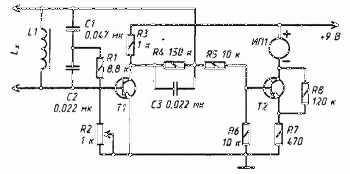
Транзистор Т1 совместно с катушкой L1 и конденсаторами С1, С2 образует генератор с емкостной обратной связью. На транзисторе Т2 выполнен вольтметр, измеряющий амплитуду генерируемого сигнала. Резистор R7 ограничивает величину коллекторного тока транзистора Т2. При подключении на вход измерителя исправной катушки показания измерительного прибора практически не должны меняться. Если в катушке имеются короткозамкнутые витки, уменьшается добротность колебательного контура и показания прибора уменьшатся.
Порядок налаживания измерителя следующий. Перед его включением движок переменного резистора R2 устанавливают в нижнее, по схеме, положение. Затем включают питание. Величина коллекторного тока должна быть порядка 0,1 мА. Перемещая движок переменного резистора вверх, добиваются самовозбуждения генератора, коллекторный ток транзистора при этом скачком возрастет примерно до 0,4 мА. При замыкании входных гнезд накоротко должен происходить срыв колебаний (об этом будет свидетельствовать уменьшение показаний миллиамперметра) .
Чувствительность прибора проверяют путем создания короткозамкнутых витков на исправной катушке.
В измерителе можно использовать транзисторы типа КТ312, КТ315.
Источник Журнал «Радио», 1975, № 10, с. 56
Похожие новости
Информация
Посетители, находящиеся в группе Гости, не могут оставлять комментарии к данной публикации.
-
Зарубежные журналы
-
Радиотехнические журналы
-
Книги




















