Популярное
Простой тахометр для автомобиля
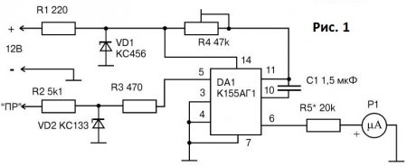
Схема автомобильного тахометра
В нашей стране много «Москвичей», «Жигулей», «Запорожцев», не имеющих тахометра, который крайне полезен при регулировке карбюратора, зажигания и т.д., и т.п. Предлагаю схему такого простейшего «девайса».
Работает устройство следующим образом. Импульсы от прерывателя автомобиля поступают на вход «ПР» платы. Через резистор R2 (рис. 1) сигнал подается на стабилитрон VD2, ограничивающий амплитуду импульсов и подавляющий отрицательные полуволны затухающих колебаний (результат работы катушки зажигания). Через R3 сигнал подается на вход триггера Шмитта ИМС К155АГ1.
Эта ИМС представляет собой моновибратор (ждущий мультивибратор), время задержки которого определяется постоянной времени цепочки C1R4, начиная от момента подачи первого положительного фронта входного импульса (и не зависит от последующих в течение этой задержки). Ждущий мультивибратор вырабатывает импульсы постоянной длительности, поэтому при изменении частоты вращения коленчатого вала двигателя изменяется время паузы между импульсами. То есть среднее значение выходного напряжения (вывод 6 ИМС) прямо пропорционально частоте вращения. Оно и индицируется стрелочным прибором Р1. Резистор R1 и стабилитрон VD1 служат для стабилизации напряжения питания ИМС (5 В) при изменениях напряжения бортовой сети, а также для защиты от помех.
Детали. Р1 - микроамперметр М68502 с током полного отклонения 250 мкА (от магнитофона «Романтика-МП 220 С», где он используется в качестве индикатора уровня записи, с красным сектором, который удачно сочетается с прямым назначением тахометра), но можно использовать практически любой микроамперметр, нужно только подобрать сопротивление добавочного резистора R5. Рисунок печатной платы и монтажная схема приведены на рис.2.
Для настройки тахометра понадобится генератор прямоугольных импульсов. На вход «ПР» схемы подаем импульсы с частотой повторения 165 Гц, что соответствует частоте вращения 5000 об/мин, переменным резистором R4 устанавливаем наибольшее отклонение стрелки микроамперметра вправо на границу красного сектора (или чертим деление 5000). Подаем 133 Гц и отмечаем 4000 об/мин, 100 Гц-3000 об/мин, 66 Гц - 2000 об/мин, 33 Гц - 1000 об/мин.
На этом регулировка закончена, счастливого пути!
С.Колосарь, Харьков
Похожие новости
Информация
Посетители, находящиеся в группе Гости, не могут оставлять комментарии к данной публикации.
-
Зарубежные журналы
-
Радиотехнические журналы
-
Книги



















