Сброс сигнала «ЧЕК» автомобиля «DAEWOO NEXIA»
«Daewoo Nexia» 2008 г., с двигателем F15SMS
Относительно современные автомобили с инжекторными двигателями очень чувствительны к качеству топлива и другим негативным последствиям эксплуатации в России. Например, у автомобиля «Daewoo Nexia» периодически загорается лампа «чек». Это значит, что нужно обратиться в ремонт. А там выясняется, что причина в низком качестве бензина, «чек» гасят. Но через некоторое время он опять загорается, и опять причина та же. Каждый раз обращаться на сервис по данному вопросу дороговато. Да и сами «сервисмены» говорят, мол, не обращайте внимание, когда замигает «чек», тогда к нам, а пока горит постоянно - можно ехать дальше.
Все бы хорошо, но горящий «чек» работает не только как дополнительная подсветка приборной панели, он сигнализирует о том, что нужно обратиться в сервис, ЭБУ (именуют в народе «мозгами») дает, по моим наблюдениям, нормально проехать 200-300 км (по всей видимости, чтобы доехать до автосервиса), а затем переходит в сервисный режим и двигатель теряет мощность, подергивается. В результате все равно приходится обращаться на диагностику, чтобы там «сбросили чек» и посетовали на плохой бензин или «глюки мозгов».
Изучив информацию в интернете, я выяснил что самому «сбросить чек» можно отключив аккумулятор на несколько минут. Да действительно, это работает. По всей видимости, память о возникших неисправностях в ЭБУ не энергонезависима, и при отключении питания стирается. Если после включения питания ЭБУ и запуска двигателя «чек» не горит, -неисправность действительно была пустяковой. Если же все равно горит, или еще и мигает - дело серьезное, нужно ехать на сервис.
Каждый раз снимать клемму аккумулятора хлопотно. Поэтому можно вытаскивать предохранитель F1 из блока предохранителей, через который напряжение поступает на ЭБУ. Но у меня возникла идея как этот процесс автоматизировать.
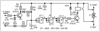
Схема показана на рисунке.
Схема включается вместо предохранителя F1, через который подается напряжение на ЭБУ. Роль предохранителя играют контакты реле К1.
Когда включено зажигание конденсатор С1 удерживается разряженным. Напряжение на нем на уровне логического нуля. На выходе элемента D1.3 - единица, транзистор VT2 открыт, контакты реле К1 замкнуты и через них поступает напряжение на ЭБУ.
После выключения зажигания транзистор VT1 закрывается и конденсатор С1 начинает медленно заряжаться через R5. Примерно через 30 секунд напряжение на нем достигает логической единицы. Транзистор VT2 закрывается и реле К1 выключает питание ЭБУ.
Когда водитель открывает дверь, чтобы войти в машину и включить зажигание, дверные датчики замыкаются и через них и диод VD3, резистор R4 конденсатор С1 разряжается. Что приводит к включению питания на ЭБУ.
В общем, это работает так. Водитель выключает зажигание и выходит из машины. Через 30 секунд питание ЭБУ отключается. Водитель подходит к машине, открывает дверь, - питание на ЭБУ включается. Затем, в течение 30 секунд нужно включить зажигание и завести машину. Если этого не сделать ЭБУ снова выключится.
Задержка в 30 секунд нужна, чтобы ЭБУ не выключалось при кратковременном выключении зажигания.
Хочу предупредить читателей, что данное устройство я установил только на свой автомобиль «Daewoo Nexia» 2008 года выпуска, с двигателем F15SMS, и никакой статистики по другим, даже таким же автомобилям, я не проводил. Как это будет работать на другой машине, понятия не имею. Поэтому, если вы захотите испытать это устройство на своем автомобиле, вы будете действовать исключительно на свой страх и риск.
Каморин Д.А.(журнал Радиоконструктор №12-2015)
-
Зарубежные журналы
-
Радиотехнические журналы
-
Книги



















