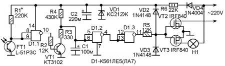
Фотореле на микросхеме К561ЛЕ5 (К561ЛА7)
Схема фотореле
Фотореле предназначено для включения освещения с наступлением темноты и его выключения на рассвете.
Датчиком уровня естественной освещенности служит фототранзистор FT1. Ток на лампу подается через ключевой каскад на высоковольтных полевых ключевых транзисторах, работающих аналогично механическому выключателю. Поэтому, светильник может быть как на основе лампы накаливания, так и на основе любой энергосберегающей лампы (светодиодной, люминесцентной). Единственное ограничение - мощность лампы не должна быть более 200W.
В исходном состоянии, когда темно, конденсатор С1 заряжен. На выходе элемента D1.3 - единица. Она открывает полевые ключевые транзисторы VT2 и VT3, и через них поступает переменное напряжение 220V на светильник Н1. Резистор R5 ограничивает ток заряда емкости затворов полевых транзисторов.
Когда светло сопротивление эмиттер -коллектор фототранзистора FT1 снижается (он открывается). Напряжение на соединенных вместе входах D1.1 равно логическому нулю. На выходе D1.1 -единица. Транзистор VT1 открывается и разряжает конденсатор С1 через резистор R3, ограничивающий ток разряда С1. Напряжение на соединенных вместе входах D1.2 падает до логического нуля. На выходе D1.2 возникает логический ноль. Транзисторы VT3 и VT2 закрыты, поэтому напряжение на светильник не поступает.
После очередного уменьшения освещенности сопротивление эмиттер-коллектор FT1 возрастает (фототранзистор закрывается). Через R1 на соединенные вместе входы элемента D1.1 поступает напряжение логической единицы. На выходе D1.1 - ноль, поэтому транзистор VT1 закрывается. Теперь конденсатор С1 начинает медленно заряжаться через R4. Спустя некоторое время (1,5-2 минуты) напряжение на нем достигает логической единицы. На выходе D1.3 напряжение увеличивается до логической единицы. Транзисторы VT2 и VT3 открываются и светильник включается.
Благодаря задержке времени, вызванной зарядкой конденсатора С1 через R4, схема не реагирует на резкое и кратковременное увеличение освещенности, которое может иметь место, например, от влияния фар проезжающего в зоне видимости FT1 автомобиля.
Логическая схема питается от источника на диоде VD4 и параметрическом стабилизаторе VD1-R6. Конденсатор С2 сглаживает пульсации. Наиболее опасный в схеме элемент это резистор R6. На нем падает значительное напряжение и мощность. При монтаже его выводы желательно не обрезать, а изогнуть и установить резистор так, чтобы его корпус был над платой и над всем монтажом. То есть, чтобы не возникало условия для пробоя на другие детали через пыль или влажность.
При мощности потребления светильником не более 200W транзисторам VT2 и VT3 никаких радиаторов не нужно. Можно работать и со светильником мощностью до 2000W, но с соответствующими радиаторами для этих транзисторов.

Схема собрана на миниатюрной печатной плате, показанной на рисунке.
Вместо фототранзистора L-51P3C можно использовать другой фототранзистор, а так же, фоторезистор или фотодиод в обратном включении (анодом вместо эмиттера, катодом вместо коллектора). В любом случае сопротивление R1 нужно подобрать так чтобы схема надежно срабатывала (в случае с фотодиодом сопротивление R1 придется существенно увеличить, а с фоторезистором, - его сопротивление будет зависеть от номинального сопротивления фоторезистора).
Микросхема D1 - К561ЛЕ5 или К561ЛА7, а так же, К176ЛЕ5, К176ЛА7 или импортные аналоги типа CD4001, CD4011.
Транзистор КТ3102 - любой аналогичный.
Транзисторы IRF840 можно заменить на BUZ90 или другие аналоги, а так же, отечественными КП707Б - Г.
Стабилитрон КС212Ж можно заменить любым стабилитроном на 10-12V.
Диоды 1N4148 можно заменить любыми КД522, КД521. Выпрямительный диод
1N4004 можно заменить на 1N4007 или КД209.
Все конденсаторы должны быть на напряжение не ниже 12V.
Все налаживание сводится к настройке фотодатчика подбором сопротивления R1. При желании или необходимости менять настройку оперативно этот резистор можно заменить переменным.
Большую роль играет пространственная установка фотореле и светильника. Нужно сделать так, чтобы фотореле, а именно, фототранзистор располагался вне попадания на него прямого света от светильника. Например, если светильник расположен под непрозрачным навесом, то FT1 должен быть где-то над этим навесом.
Богачев А.
-
Зарубежные журналы
-
Радиотехнические журналы
-
Книги



















