Электронные музыкальные звонки на УМС-7 (8)
Электронные музыкальные звонки
Специализированные микросхемы музыкальных синтезаторов значительно упростили конструирование музыкальных автоматов и звонков. Эти синтезаторы просты в использовании и требуют для работы минимум навесных элементов. Для нормальной работы синтезатора необходим внешний кварц на частоту 32768 Гц. Управление работой микросхемы осуществляется двумя кнопками: «Пуск» и «Выбор». Кнопка «Пуск» разрешает работу микросхемы, кнопка «Выбор» позволяет выбрать одну из мелодий синтезатора.
Универсальные музыкальные синтезаторы (УМС) выпускались в двух модификациях: УМС-7 и УМС-8. Они абсолютно идентичны по характеристикам и отличаются только напряжением питания: для УМС-7 напряжение питания составляет 3 В, для УМС-8 достаточно 1,5 В. В одном корпусе может быть «зашито» от 1 до 8 мелодий. Количество мелодий обычно указано в маркировке микросхемы. Например, маркировка УМС7-4 означает, что данная микросхема работает от источника напряжения 3 В и содержит в ПЗУ 4 мелодии.
Миниатюрный звонок на УМС-7 (8)
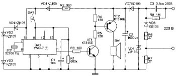
Один из вариантов включения микросхемы УМС приведен на рис. 1.
Стандартная схема включения дополнена конденсатором С2, что обеспечивает надежный запуск внутреннего генератора. С выхода микросхемы звуковой сигнал через резисторный делитель R1, R2 поступает на базу составного транзистора VT1, в коллекторную цепь которого включен’громкоговоритель. Включение звонка осуществляется кнопкой SA1, выбор мелодии - кнопкой SA2.
Рисунок печатной платы звонка приведен на рис. 2, схема расположения деталей на плате - на рис. 3.
Квартирный звонок на УМС-7 (8) с питанием от сети
Широкий выбор мелодий, предлагаемых производителями, и неплохие качественные характеристики делают микросхемы УМС весьма привлекательными в качестве квартирных звонков.
Схема квартирного звонка на базе УМС приведена на рис. 4. Поскольку потребление подобной конструкции невелико, то для ее работы можно вполне использовать бестрансформаторный сетевой источник питания.
-
Зарубежные журналы
-
Радиотехнические журналы
-
Книги





















