Популярное
Светодиодная лампа своими руками
Предлагаемая вашему вниманию светодиодная лампа специально разрабатывалась для освещения и работы от сети переменного напряжения 220 В.
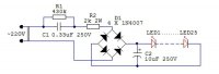
Схема такой лампы , представленная на рис.1, довольно проста и не нуждается в наладке.
Одним из преимуществ такой лампы перед другими источниками освещения является ее малая потребляемая мощность (ориентировочно 2 Вт).
Основными элементами схемы являются светодиоды ( 25 штук) белого спектра излучения, повышенной яркости свечения и прямым напряжением 3,2...3,7 В (ток 20 мА).
Для питания светодиодов применяется схема с бестрансформаторным блоком питания, имеющая в своём составе гасящий конденсатор С1, резистор R1, который в свою очередь разряжает гасящий конденсатор, ограничительный резистор R2, диодный мост D1 и сглаживающий конденсатор С2 с рабочим напряжением не менее 250 В.
Все элементы схемы монтируются в корпусе от старой энергосберегающей лампы. Светодиоды расположены по кругу в три ряда. В результате получаем источник света с весьма незначительными габаритными размерами.
При повторении настоящей схемы необходимо соблюдение техники безопасности, т.к схема не имеет гальванической развязки с питающей электросетью.
Похожие новости
Информация
Посетители, находящиеся в группе Гости, не могут оставлять комментарии к данной публикации.
-
Зарубежные журналы
-
Радиотехнические журналы
-
Книги


















