Радиопередатчик на СВ диапазон
Как известно, широкое применение нашли усилители общего назначения, которыми пользуются экспериментаторы, усилители для музыкальных инструментов, различные усилительные устройства, используемые на митингах, торжественных собраниях.
Если у Вас имеется радиоприемник, значит,у Вас фактически есть и усилитель. Однако не все радиоприемники в настоящее время имеют микрофонный вход. И не всегда хочется вносить изменения в схему своего радиоприемника, чтобы иметь такой вход.
Обычный способ связи сигнала с радиоприемником — его преобразование в радиосигнал, который поступает на вход радиоприемника. Здесь мы рассмотрим радиоэлектронное устройство, дальность передачи сигнала которого составляет не более 3 м.
Большинство любительских схем использует собранный на одном транзисторе генератор колебаний, модуляция которых осуществляется входным сигналом через базу транзистора. Такой способ приводит к наложению амплитудной и частотной модуляций, и результат, как правило, оказывается неудовлетворительным. Мы же рассмотрим устройство, в котором используется более сложный генератор колебаний, но при этом точность воспроизведения электрического сигнала выше, чем у большинства радиоприемников.
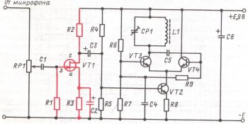
Схема устройства приведена на рис.1. Входной сигнал через регулятор уровня RP1 поступает на вход полевого транзистора VT1 с достаточно большим входным сопротивлением, что позволяет осуществлять непосредственную связь усилительного каскада с кристаллическими микрофонами, керамическими головками звукоснимателей и т. д. Полевой транзистор обеспечивает достаточное усиление по напряжению, необходимое для непосредственного функционирования схемы от маломощных источников сигнала, таких как микрофоны и другие устройства. Выходной сигнал этого каскада управляет транзистором VT2 который служит источником тока для высокочастотного генератора, собранного на двух транзисторах VT3 и VT4. Такой генератор имеет два преимущества: он не требует никаких дополнительных отводов от дросселя, что обеспечивает простоту конструкции, и, кроме того, его выходной сигнал может легко изменяться по амплитуде. Регулировка тока эмиттеров приводит к линейному изменению амплитуды сигнала.
Конструкция собирается на плате, имеющей 24 медных полоски по 37 отверстий в каждой с шагом 2,5 мм. В полосках формируются 19 разрезов (рис. 2), после чего в плате высверливается отверстие для крепления конденсатора настройки СР1, а затем монтируются перемычки и все элементы схемы (рис. 3). Электролитические конденсаторы С2, СЗ и Сб устанавливаются в соответствии с их полярностью. Для соединения конденсатора настройки СР1 с соответствующими точками на плате используются два коротких отрезка монтажного провода.
Дроссель L1 состоит из 40 витков эмалированного медного провода диаметром 0,27 мм, плотно намотанного на ферритовый стержень длиной 50 и диаметром 6,3 мм. Изготовить ферритовый стержень необходимой длины несложно, так как разрезать его можно таким же способом, как и стеклянную трубку или стержень. Для этого мелким напильником в месте предполагаемого разреза делается неглубокая канавка, после чего ферритовый стержень легко разламывается на две части. Если нет под рукой ферритового стержня диаметром 6,3 мм, можно использовать стержень диаметром 9,5 мм, однако при этом число витков катушки уменьшается до 33. Контур настраивается подстроечным конденсатором СР1 на средневолновый диапазон 200—400 м. Дроссель крепится к плате нейлоновой или другой прочной нитью.
Не рекомендуется использовать металлический провод, так как он образует короткозамкнутый виток, что может отрицательно сказаться на работе схемы. Выводы дросселя после тщательной зачистки припаивают к выводам конденсаторов настройки.
Регулировку устройства начинают с включения средневолнового диапазона радиоприемника, настраивая его в диапазоне волн 200—400 м. Подав напряжение на устройство, его размещают рядом с радиоприемником- Далее регулятор громкости радиоприемника устанавливают в положение максимальной громкости, так чтобы прослушивались шумы и слабые сигналы радиостанций, после чего осуществляется настройка подстроечного конденсатора. Когда будет найдено правильное положение; посторонние сигналы будут подавляться, так как более интенсивные сигналы устройства воздействуют на схему автоматической регулировки усиления радиоприемника.
Прикосновение пальца к входу устройства должно вызвать громкое жужжание, обусловленное наводками электросети. Корпус устройства изготавливается из пластмассы, поскольку металлический корпус из-за экранирующего эффекта будет препятствовать прохождению сигналов. Потребление тока незначительное, менее 5 мА, что обеспечивает работу устройства с гальваническими батареями в течение многих часов.
Связь с радиоприемником осуществляется следующим образом: радиомикрофон располагается рядом с радиоприемником, регулятор громкости радиоприемника устанавливается в нормальное положение, затем настраивается радиомикрофон, а регулятор уровня входного сигнала устанавливается в нормальное положение, затем настраивается радиомикрофон, а регулятор уровня входного сигнала устанавливается в положение, обеспечивающее нормальное звучание радиоприемника. Схема рассчитана на диапазон входного сигнала от 0,01 до 10 В. Так как входное сопротивление устройства достаточно велико - 1 МОм, микрофоны и звукосниматели подключаются непосредственно к его входу.
Элементы радиомикрофона
Резисторы:
R1 2,2 МОм
R2, R3 2,7 кОм
R4 39 кОм
R5 8,2 кОм
R6 18 кОм
R7,R9 15 кОм
R8 3,3 кОм
RP1 1 МОм (переменный)
Конденсаторы:
СР1 100-500 пФ (подстроечный)
С1 0,01 мкФ
С2 100 мкФ, 10 В (электролитический)
СЗ 10 мкФ, 10 В (электролитический)
С4 0,1 мкФ
С5 100 пФ
С6 47 мкФ, 10 В (элек тролитический)
Транзисторы:
VT1 2N3819 (КП302Б,КПЗОЗГ), VT2, VT3, VT4 BC184L (КТ3102Д)
Плата: 24 медные полоски с 37 отверстиями, шаг 2,5 мм; ферритовый стержень диаметром 6,3 или 9,5 мм; обмоточный медный провод диаметром 0,27 мм.
-
Зарубежные журналы
-
Радиотехнические журналы
-
Книги





















