Популярное
Звуковой сигнализатор на КТ 117

Отечественный транзистор КТ117 относится к категории биполярных однопереходных, двухбазовых транзисторов малой мощности. Если перевести взгляд из прошлого в настоящее, то этот уникальный транзистор до сих пор представляет особый интерес у представителей клана электронщиков. Практически не имеющий аналогов, транзистор КТ117 хорошо себя зарекомендовал в широком спектре электронных бытовых устройств, как регулятор напряжения в различных источниках питания.
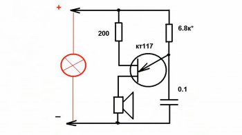
Помимо своего прямого предназначения, транзистор КТ117 можно использовать в схеме, как генератор звуковых сигналов. Например, как дублирующий сигнал включенных поворотников автомобиля, в некоторых из них сигнальная контрольная лампа визуально остается без внимания. Устройство, выполненное на транзисторе КТ117 практически не содержит сложных компонентов, а количество ограничено до минимума. Звуковым источником служит обычный динамик, сопротивление катушки от 8 Ом до 50 Ом.
Это устройство легко размещается на приборном щитке автомобиля и подсоединяется параллельно контрольной лампе. Схема работает, как простой импульсный генератор, частота которого зависит от параметров цепи R2C1, громкость можно регулировать резистором R1. Напряжение питания устройства от 3В до 15В, при этом меняется громкость звука. В качестве эксперимента можно подключить устройство к питанию через мигающий светодиод.
[media=https://youtu.be/fJnoEy0teI4]
Похожие новости
Информация
Посетители, находящиеся в группе Гости, не могут оставлять комментарии к данной публикации.
-
Зарубежные журналы
-
Радиотехнические журналы
-
Книги



















