Популярное
Простой радиомикрофон
Простой радиомикрофон
Если у вас и вашего друга есть по карманному радиоприемнику с FM диапазоном, дополнив их двумя несложными радиомикрофонами, можно организовать неплохую радиосвязь, дальностью до 100 метров. Конечно, 100 метров - это не очень много (на такое расстояние можно и крикнуть), но в некоторых случаях и такая дальность может быть полезной. Например, можно организовать связь между двумя квартирами или комнатами (через стену) или между едущими друг за другом на небольшом расстоянии, автомобилями.
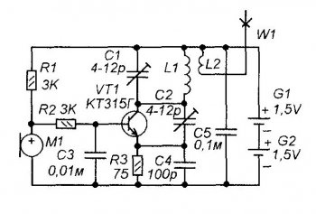
Принципиальная схема радиомикрофона показана на рисунке. Здесь всего один транзистор, электретный микрофон и несколько деталей. Питается микрофон от трехвольтовой батарейки (составленной из двух элементов типа «АА» по 1,5V).
Работает радиомикрофон на частоте около середины диапазона 88-108 МГц.
Все детали, кроме антенны и источника питания расположены на печатной плате, монтажная схема которой есть на рисунке.
Катушки L1 и L2 намотаны толстым намточ-ным проводом, например, ПЭВ -0,61. Внутренний диаметр катушки L1 - 3 мм, а содержит она 8 витков. Катушка L2 намотана на поверхность L1, она содержит 3 витка. Катушки бескаркасные, чтобы придать им достойную форму, первоначальную намотку желательно сделать на какой-нибудь оправке диаметром около 3 мм, например, на хвостовике сверла такого диаметра. Сначала наматывают катушку L1, формуют и разделывают её выводы под отверстия в плате, а затем, на поверхность L1, примерно посредине, наматывают L2 (см. рисунок).
После намотки обоих катушек, формовки и разделки их выводов (намоточный провод покрыт лаковой изоляцией, которую нужно счистить только в местах пайки), катушки устанавливают на плату.
Электретный микрофон (М1) может быть любым электретным микрофоном от переносного магнитофона, диктофона, электронного телефонного аппарата. Например, микрофон SZN-15 или другой. У микрофона два вывода, один из которых отмечен знаком «+», это нужно учесть при монтаже (при обратном включении он работать не будет).
Подстроечные конденсаторы С1 и С2 -керамические.
Антенна - отрезок монтажного провода длиной около метра.
Перед налаживанием найдите по шкале приемника, работающего в диапазоне FM место, свободное от радиостанций. Затем, расположив приемник на расстоянии 1-2 метра от антенны радиомикрофона, последовательно подстраивайте С1 и С2 до тех пор, пока сигнал не будет принят приемником (при этом можно разговаривать перед микрофоном, а помощник может слушать приемник на наушники).
Затем, постепенно увеличивая расстояние между приемником и радиомикрофоном, точнее подстройте С1 и С2, так чтобы получилась наибольшая дальность связи.
Похожие новости
Информация
Посетители, находящиеся в группе Гости, не могут оставлять комментарии к данной публикации.
-
Зарубежные журналы
-
Радиотехнические журналы
-
Книги





















