Активная акустическая система на ИМС TDA2005
TDA2005
Эту конструкцию можно сделать как самостоятельный комплект активных акустических систем для воспроизведения сигнала с выхода персонального компьютера, или использовать в качестве ремонтной схемы для ремонта покупной активной АС с неисправной схемой усилителя мощности ЗЧ.
Микросхема TDA2005 относится к разряду недорогих и широкодоступных, интегральных УМЗЧ. Относительно небольшое число навесных элементов, в сочетании с неплохими электрическими характеристиками, наличие защиты выхода от перегрузки, термозащита, а так же, возможность установки коэффициента передачи в широких пределах (подбором сопротивлений резисторов в цепи ООС). Все это позволяет на базе TDA2005 строить самые разнообразные усилители, или активные акустические системы.
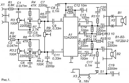
На рисунке 1 приводится схема простого комплекта активной АС, обладающей следующими параметрами :
2. Выходная мощность при КНИ = 0,3%, на нагрузке 4 Ом...........2 х 5 W.
3. Уровень входного сигнала, для получения выходной мощности 1 W . . 90 mV.
4. Коэффициент усиления с учетом потерь в регуляторе тембра........36 дб.
5. Возможность увеличения коэффициента усиления до...........50 дб.
Схема питается от источника питания старого принтера НР840 (выходное напряжение 18V), но напряжение питания может быть от 8 до18V, при этом, соответственно изменяется выходная мощность.
Входной стереосигнал поступает на разъем Х1. На переменных резисторах R3, R5, R9 сделан пассивный блок регулировок. Сдвоенным резистором R3 осуществляется регулировка тембра по ВЧ одновременно в обоих каналах. Сдвоенный резистор R5 служит для регулировки громкости. Резистор R5 используется с отводами от «подковки», которые служат для тонкомпенсации, улучшающей звучание при работе на малой громкости. Одинарный переменный резистор R9 служит регулятором стереобаланса.
Усилители, входящие в состав TDA2005 представляют собой мощные операционные усилители с однополярным питанием, прямые входы, - выводы 5 и 1, инверсные, соответственно, - выводы 4 и 2.
Изменяя сопротивления резисторов R13 и R15 (или R12 и R14) можно изменять в широких пределах коэффициент передачи усилительных каналов. Для сопротивлений R13 и R15 зависимость обратная, а для R12 и R14 - прямая.
Цепь R10-C12 служит для плавного включения усилителей, во избежание броска тока в акустических системах.
Конденсаторы С13 и С16 создают вольтодобавку к выходному каскаду, повышая выходную мощность без повышения напряжения питания. Усилитель может работать и без них, в этом случае С13 и С16 удаляют, а выводы 7 и 11 соединяют с положительной шиной питания (с выводом 9). Но в этом случае максимальная мощность ниже.
Детали узла регулировок монтируются непосредственно на выводах переменных резисторов, установленных на передней панели корпуса основной активной акустической системы, в которой расположен динамик В2. Поскольку регуляторы пассивные, - так удобнее во всех отношениях.
Детали собственно усилителя монтируются на небольшой печатной плате, схема которой приводится на рисунке 2.

Плата выполнена из одностроннего фольгированного стекло-тексталита.
Выходные конденсаторы С21 и С18, а так же, сглаживающий конденсатор С19, расположены за пределами печатной платы (жестко закреплены при помощи хомутков в корпусе основной АС).
Печатная плата не имеет собственных крепежных элементов, - крепится она на радиатор посредством радиаторной пластины микросхемы, одним винтом. Плата вместе с радиатором расположена в корпусе основной активной АС.
В корпусе второй АС расположен только динамик В1. Он подключается к основой АС с помощью кабеля через разъем Х2.

Для отвода тепла от микросхемы используется радиатор, конструкция которого показана в на рисунке 3. Радиатор сделан металлического профиля для устройства каркаса подвесных потолков или панелей из гипсокартона. Для одного радиатора нужно отрезать два куска длиной 10-15 см. Затем, один из кусков нужно разрезать вдоль на две одинаковые части (получится два уголка). Далее, два уголка складывают «вперекрышку» и размещают посредине внутри целого куска профиля. Все сопрягаемые поверхности необходимо промазать теплопроводной пастой.
Попцов Г.
Источник: Журнал Радиоконструктор №5 2016 стр.11
-
Зарубежные журналы
-
Радиотехнические журналы
-
Книги



















