Популярное
Radiotehnika S-30
Radiotehnika S-30
Двухполосные акустические системы закрытого типа Radiotehnika S-30 соответствуют 3 кл. по ГОСТ 23262-78 (10АС-314 и 10АС-315 Сг3.843.047-82Е), с появлением нового ГОСТ 23262-83 они уже относились ко 2 гр. сложности (10АС-221 и 10АС-222) Акустические системы предназначены для высококачественного воспроизведения звука в составе бытовой радиоэлектронной аппаратуры. В S-30 применены динамические головки громкоговорителей прямого излучения 10ГД-34-80, 3ГД-2 и акустический фазоинвертор.
Позднее были разработаны АС Radiotehnika S-30B Сг3.843.055ТУ-86 и Radiotehnika S-30A ИЩ3.843.060ТУ-87 (ОГК завода). В них применены динамические головки громкоговорителей 25ГДН-1-8-80 (25ГДН-1-4-80 в S-30A) и 6ГДВ-1-16 (динамики те же, обозначение по ОСТ4.383.001-85).
Для работы АС необходимо подключить к усилителю, имеющему на выходе каждого канала максимальную мощность 20...50 Вт. В АС S-30 и S-30B имеется индикация перегрузки головок громкоговорителей, срабатывающая при подаче на них сигнала с уровнем, превышающим паспортную мощность АС. Если при работе АС начинает длительно светиться индикатор ПЕРЕГРУЗКА, следует уменьшить уровень подаваемого на нее сигнала.
Основные технические характеристики:
Номинальная электрическая мощность - 10 Вт.
Паспортная электрическая мощность не менее 30 Вт.
Номинальное электрическое сопротивление S-30 - 4 Ома, S-30A- 4 Ома, S-30B - 8 Ом.
Диапазон воспроизводимых частот не уже 50...18000 Гц.
Номинальное среднее звуковое давление в диапазоне 100...4000 Гц для S-30 - 1.2 Па.
Характеристическая чувствительность в диапазоне 100...8000 Гц, при мощности 1 Вт, для S-30B не менее 84 дБ.
Габаритные размеры АС: 364 - 214 - 195 мм, масса не более 6 кг.
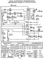
Схема электрическая принципиальная акустических систем Radiotehnika S-30 (10АС-221 - 10АС - 222)
Похожие новости
Информация
Посетители, находящиеся в группе Гости, не могут оставлять комментарии к данной публикации.
-
Зарубежные журналы
-
Радиотехнические журналы
-
Книги



















